A thermal gas mass is a type of flow meter that measures the flow rate of gases in a pipeline, it can measure various gases (except the acetylene). The thermal gas mass flow meter has the advantages of small in size, high degree of digitization, convenient installation and accurate measurement.

The thermal mass gas flow meter design with a large LCD backlit display for clearer readings

The thermal mass meter design with a waterproof rating
SISCO flow meter calculates the mass flow rate of the fluid based on the power required to maintain the constant temperature difference. Thermal mass flow meters are commonly used in applications where precise measurement of gas flow is required, such as in biotechnology, medical equipment, scientific research, chemical and petrochemical industries.
Â
| Model | SISCO-FM-F2 |
| Measuring Medium | Various gases (Except the acetylene) |
| Pipe Size | 1/2 inch, 2 1/2, 4 inch, 8 inch |
| Working Pressure | 1.6 MPa, 2.5 MPa, 6.3 MPa |
| Measuring Range | 0-152 Nm³/h |
| Velocity | 0.1~100 Nm/s |
| Installation Method | Threaded connection, clamp, plug-in, flange |
| Accuracy | ±1~2.5% |
| Working Temperature | Sensor: -40℃~+220℃ Transmitter: -20℃~+45℃ |
| Working Pressure | Insertion Sensor: medium pressure≤ 1.6MPa Flanged Sensor: medium pressure≤ 1.6MPa For special pressure please contact us |
| Power Supply | 24VDC or 220VAC |
| Response Time | 1s |
| Output | 4-20mA (optoelectronic isolation, maximum load 500Ω), Pulse, RS485 (optoelectronic isolation) and HART |
| Alarm Output | 2 line Relay, Normally Open state, 3A/30V/DC |
| Sensor Type | Standard Insertion, Hot-tapped Insertion and Flanged |
| Construction | Compact and Remote |
| Pipe Material | Carbon steel, stainless steel, plastic, etc |
| Display | 4 lines LCD Mass flow, Volume flow in standard condition, Flow totalizer, Velocity, etc. |
| Protection Class | IP65 |
| Sensor Housing Material | Stainless steel (316) |

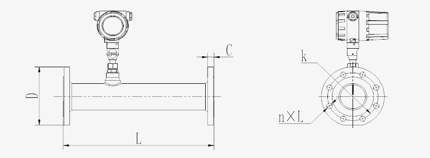
| Nominal Diameter (mm) | Flanged Outer Diameter (mm) | Center Hole (mm) | Screw Hole (mm) | Screw Thread | Sealing Face (mm) | Flanged Thickness (mm) | Pipeline Length (mm) | |
| inch | D | k | n*L | d | f | C | L | |
| 1/2 | 95 | 65 | 4*14 | M12 | 46 | 2 | 14 | 200 |
| 2 1/2 | 185 | 145 | 4*18 | M16 | 118 | 2 | 20 | 200 |
| 4 | 220 | 180 | 8*18 | M16 | 156 | 2 | 22 | 200 |
Q1: What is a flow meter?
A1: A flow meter is a device that measures the flow rate or volume of a fluid, such as a liquid or gas, as it moves through a pipe or conduit. It provides real-time data on the amount of fluid passing a specific point, which is crucial for monitoring and controlling industrial processes, ensuring accurate dosing, and optimizing system performance. Flow meters come in various types and technologies, each suited for different applications and fluid properties.
Q2: How often should flow meters be calibrated?
A2: The frequency of flow meter calibration depends on several factors, including:
As a general rule, flow meters are often calibrated annually, but this can vary. It’s also advisable to calibrate whenever there is a significant change in process conditions or if the flow meter shows signs of drift or performance issues.
Q3: What factors can affect flow meter accuracy?
A3: Several factors can affect the accuracy of a flow meter:
Tips: Advantages of using a thermal gas mass flow meter
Thermal gas mass flow meters offer several advantages, making them a popular choice for various applications. Here are the key benefits:
Thank you for buying industrial test and measurement equipment on SISCO.com, all products sold by SISCO and the partner cover a 12 months warranty, effective from the date of receiving the products.
SISCO is responsible for providing free spare parts, and free technical support to assist the customer to repair the defective products until the problem is solved.